【制動電阻案例】制動電阻與制動單元在鋼鐵行業中的應用(上) 一、引 言 鞍鋼是國有特大型鋼鐵企業,經歷了不斷的技術改造和技術創新,至2002年起對其下屬的煉鐵總廠進行全面改造,分別建設新1#、新2#、新3#高爐。同時對7#高爐進行技術改造。在這四座高爐的水沖渣、高爐運焦、礦焦槽、魚雷罐運輸鋼水及倒鋼水等系統中,主體設備采用艾默生CT TD2000、EV2000、TD3000、TD3500等系列變頻器,艾默生CT變頻器成為鞍鋼煉鐵總廠應用的主體品牌。
二、水渣處理系統轉鼓裝置變頻器應用 2.1 轉鼓工藝簡介 鞍鋼煉鐵總廠新1#高爐是煉鐵總廠改造工程中新建的第一座高爐,高爐設計有效容積3200立方米,日產生鐵7500噸,是目前鞍鋼乃至全國容積最大的、工藝最先進的大型高爐之一。新1#高爐的水渣處理系統是引進盧森堡的“茵巴”水渣處理工藝。運用網絡化控制。艾默生CT變頻器應用于改造系統中的轉鼓裝置、�;厮眉霸鼭{泵電機的驅動等共48臺套。其中轉鼓裝置有一組轉鼓驅動和轉鼓支架,轉鼓支架能夠通過翻轉驅動在翻轉支架上作翻轉轉動,轉鼓的支點和轉鼓支架的支點相差90°,轉鼓支架和翻轉支架互不干擾,并能夠實現自動裝、卸物料。轉鼓主體與支架之間連接有電動推桿,計數器連接在電機驅動裝置聯軸器處。利用計數器發出反饋信號給PLC。轉鼓支架和翻轉支架能夠連續運轉,并自動出料,實現自動化聯機操作,借助篩網回轉的離心力,在較低的水阻力下,具有較高流速性,截留住渣體顆粒,實現固、液兩相分離的目的,大大降低工人的勞動強度。并在鼓體上設有觀察口,可隨時觀察運轉情況。在高爐煉鐵的生產過程中,爐渣的輸出量隨機性很大,這就導致流入轉鼓的水渣量波動性增大,轉鼓電機輸出力矩大幅度變化。TD3000變頻器精準快速的動態響應,能夠及時調節輸出力矩,將力矩信號反饋給PLC系統,及時改變電機轉速,對流入轉鼓的水渣量的波動做出響應,從而保證了轉鼓裝置在高爐煉鐵的整個出渣過程中能夠穩定的運行。
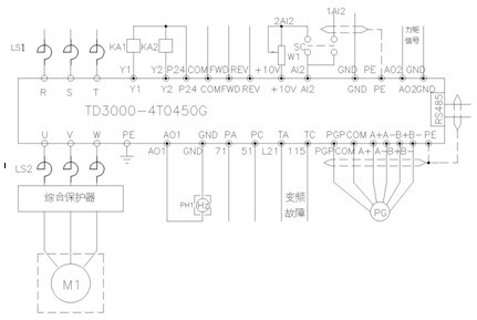
2.2 轉鼓裝置變頻器應用設計 整個水渣處理系統的電氣控制是采用DCS控制方式實現的。TD3000變頻器以其自身轉矩響應速度快、控制精準,過載能力強、寬范圍的調速運行。被用在水渣處理系統中轉鼓裝置的主驅動。轉鼓裝置采用30KW變頻電機,配置TD3000-4T0450G高性能矢量型變頻器。系統控制方式如圖1所示。
 圖1 水渣處理系統變頻器應用
三、320噸混鐵車變頻器應用 3.1 鋼水罐車驅動系統設計 鐵水罐車、鋼水罐車、魚雷罐混鐵車、渣罐車等是煉鋼系統的重要關聯設備,在倒鋼水的過程中對變頻器的驅動電機性能要求很高。項目選用艾默生CT變頻器4臺EV2000-4T0750G, EV2000-4T0550G和主令控制器與PLC相結合,實現手動與自動控制。充分體現艾默生CT變頻器的精準控制和高性能的穩定運行的體現。魚雷罐混鐵車倒鋼水的控制方案采用艾默生CT EV2000變頻器進行調速控制,系統配置2套制動單元和制動電阻,采用能耗制動控制方式。傾倒鋼水時電機正向運行處于電動狀態,倒完鋼水灌身翻轉到原來位置時電機反方向運行處于發電狀態,利用制動電阻消耗電機反向運行時產生的多余能量。這里選用博邦電氣生產的BBU系列制動單元,以電機功率為220kw為例,選用BBU制動單元,制動電阻按實際工控合理配置。 魚雷罐車是煉鋼系統重要的運送設備,系統采用一工一備的控制方案交替運行互為備用。由于現場多粉塵、大熱量散發,還會出現鋼水飛濺情況。不適合PLC獨立控制的應用,最后采用PLC與智能主令控制器和現場操作箱一主兩結合的控制方案。由PLC監測魚雷罐車的狀態并發出允許命令,通過現場觀測的實際來控制魚雷罐車的倒鋼水的速度和罐身翻轉的角度并及時進行調整。320噸混鐵車變頻器混鐵車變頻器配置如表1所示。 另外,艾默生CT變頻器在鞍鋼4#、5#鍍鋅線及鞍鋼熱軋廠輥道驅動也有大量的應用。

本文由常州博邦電氣http://www.chashukan.com/原創,如需轉載請注明出處! |