制動單元和制動電阻在冷鐓機系統中的應用案例 一、冷鐓機簡介 冷鐓機是在常溫下將鋼坯鐓成一定形狀的產品。隨著生產技術的不斷發展和進步,全自動冷鐓機已廣泛應用于汽車、機械零部件制造。該設備全自動化完成批量專業化生產螺帽、螺母等雙擊整模標準件,從輥輪進料,依次切斷,壓角沖孔成形,一機完成,省去費時且昂貴的退火工序。工位采用水平排列,主傳動為二級傳動,主滑塊的驅動采用壓力肘桿結構,飛輪和傳動軸的連接采用氣壓摩擦離合器。 我公司某廠一6臺冷墩機是20世紀50年代從前蘇聯進口的設備,是飛機鉚釘的專用生產設備。70年代初,曾將電氣控制系統改造為可控硅直流調速系統,至今已服役了30多年,電機整流子嚴重磨損,控制箱元器件老化嚴重,已無法保證加工精度要求。經分析,決定采用變頻調速智能控制系統進行改造。
二、改造要求 1、在不改動機床機械傳動系統的情況下改造為無級調速,調速范圍為30~120件/min。 2、變速系統安全可靠,使機床平穩連續變速,必須采用制動電阻與制動單元相結合的變頻改造方式。 3、增加數顯裝置以計量加工件數,裝置具有設定加工工件總數、達到設定值時自動停機、當中間需停機續料或出故障停機后再次開機時連續計數的功能。
三、變頻調速系統、智能型儀表控制系統簡介 根據電氣技術改造要求,選擇了變頻調速系統加智能型儀表控制系統。用調速電位器通過變頻器對變頻電機在0~1500r/min范圍內無級調速;智能型儀表通過NPN接近開關對加工零件數量進行采集,再通過內部參數的設置和操作實現對設備的控制。 變頻器選用ALPHA6000系列,該系列變頻器具有以下特點: A采用電機專用高速32位CPU B低頻特性好,力矩可自動提升 C電流實時調節,動態響應好 D數字輸入輸出接口功能豐富,可根據需要自行定義接口功能 E具有2路模擬量輸入,2路模擬量輸出,1路頻率信號輸出 F專門接地設計,電磁兼容性好 G豐富的運行參數實時監控功能,隨時掌握機器運行狀況 H完善的故障保護功能及掉電存儲功能 采用智能型可逆預置數計數器與接近開關配合,以實現零件加工數量顯示。該計數器具有以下特點:采用開關電源,電壓適應范圍大,抗干擾能力強;直接顯示實際值,并可設定顯示有效小數位數;鍵盤設定,LCD帶背光源顯示,操作簡單;5種計數輸入模式,4種輸出模式,自動復位時間0.01~9.99s可調;使用鍵盤鎖定功能,根據要求鎖定不需要使用的鍵,防止誤操作。
四、硬件電路設計

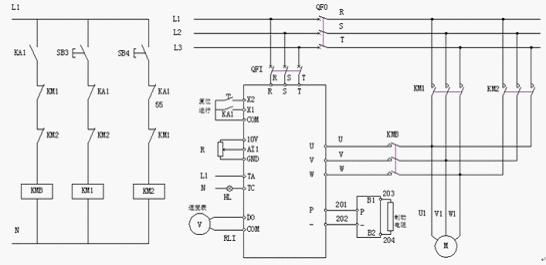
(冷鐓機變頻調速系統原理圖) 調速電位器(R)接至變頻器的外部給定調節輸入點(10V、AI1、AGND),調節變頻器的輸出頻率在0~50Hz范圍內改變,從而實現對變頻電機的無級調速;將控制柜面板上的數顯表接至變頻器的輸出頻率點(DO、COM),在數顯表上動態顯示電機的轉速;將報警燈接至變頻器的繼電器輸出點(TA,TC),當變頻器工作異常時報警。

(智能型儀表控制系統原理圖) 在計數器面板上設定加工零件的總數;在計數器的信號輸入點(9、12、14)接入NPN型接近開關(SQ)。冷墩機每加工完成一個零件,接近開關發出一個信號給計數器,在顯示屏上顯示。計數器在顯示零件加工數量的同時,對預先設置的加工總數進行減1操作,當預置數減為0時,輔助輸出常閉觸點(3、4)斷開,使中間繼電器KA1失電,設備停止運行。為防止在自動加工過程中計數器設定的數據被他人更改,在計數器鍵保護輸入點(14、15)接一鑰匙開關(SA1),操作者設定完相關參數以后,旋動SA1可以將計數器操作面板上的所有鍵鎖定保護。 當加工工件達到預設數值時,設備自動停止工作,等待新的任務。當加工過程中中間需要停機續料或因故障停機時,零件加工數量保持年限最大可達10年,重新啟動時可以接著計數。計數器可以通過操作面板和背后按鈕進行復位,操作簡便,維護方便。
五、改造后的好處 1、由于使用了變頻調速,可以根據加工件工藝要求無極的實現速度調節。 2、使用了變頻控制后,機器在啟動停止時平滑無沖擊,延長了機械使用壽命。 3、在電機過載或其它異常情況下,變頻保護功能動作,保證了設備的安全。 4、可通過與PLC配合使用,實現全自動化的加工過程。 5、使用制動單元和制動電阻進行制動控制,精確控制剎車時間。 |