變頻器與制動電阻在鋼化玻璃冷風機上的應用 關鍵詞:變頻器;制動電阻;制動單元;冷風機;
一、引 言: 隨著國民經濟的發展和人民生活水平的提高,各種玻璃制品被廣泛用于建筑、汽車工業、生活用具等領域。由于鋼化玻璃具有強度高、安全性好、熱穩定性高等特殊的性能,在建筑業和汽車制造業發展勢頭迅猛同時也對鋼化玻璃提出了更高的要求;生產廠家無論是在配方工藝還是在制造工藝上都在不斷進行提高。 二、公司介紹: 常州市某鋼化玻璃有限公司是生產鋼化玻璃的資深企業,公司占地面積15000平方米,擁有員工300多人,今年來該公司通過技術革新,引進了三條全新的鋼化玻璃生產線。該公司擁有多條先進的全電腦控制水平軌道式平、彎異形鋼化玻璃生產線,數控XY玻璃劃片臺,數控水切割機,進口雙邊磨邊機,具有先進的數控全自動生產線及全自動鍍膜生產線等各種相配套的玻璃加工設備。
三、應用現場及設備
 鋼化玻璃生產線
四、應用現場工藝要求 現場要求按鈕控制啟停,加速時間要短,起動比較頻繁,外接電位器調速。此工況變頻器的日常保養和維護、注意事項等: 1、應經常清理變頻器風道灰塵; 2、變頻器、機械、電機應有良好的接地; 3、停車時間太短可能會使變頻器過壓,此時應考慮使用制動單元和制動電阻實現快速停機;
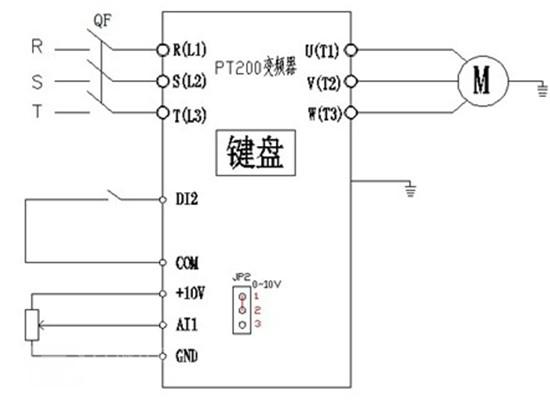
五、利用產品的何種功能解決此應用要求
 電氣接線圖參數設置,利用變頻器多功能輸入端子DI2設置正轉,模擬量輸入端子AI1調節頻率。
|