高壓變頻器帶串聯電抗器并網回饋測試平臺的應用 關鍵詞: 高壓變頻器 電抗器 串聯電抗器 并網回饋
一、引 言 目前國內高壓變頻器正朝著小型化、大容量化方向發展,國內知名的高壓變頻器廠家均已做到10MW以上,甚至有做到20MW,其實這得益于電力電子器件飛速發展帶來的結果,但是國內大容量高壓變頻器出廠一般都沒有條件做滿功率測試,大容量高壓變頻器在現場調試時又容易出現問題,或許是大電流時報驅動故障,或許是散熱不滿足要求等等,這樣會投入大量的人力、物力去現場解決,其實很多原因都是廠內不能模擬現場滿功率運行的工況。
在高壓變頻器行業內,整機老化的負載方式主要有兩種:空電機負載和能量回饋型負載。空電機負載一般是高壓變頻器拖動一臺高壓電機,電機空載運行,運行時電流為電機空載電流,老化效果理想。能量回饋型負載主要指高壓變頻器拖動原動機,由原動機拖動發電機發電,然后通過四象限變頻器將電能回饋到電網;此種方式雖然將能量回饋到電網,但是損耗仍然很高。采用高壓變頻器帶電抗器并網回饋的方式,可避免上述兩種整機老化存在的問題,而且操作簡單,節電率高,系統損耗占高壓變頻器額定容量的8%以內,具有相當可觀的經濟價值。
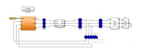
二、測試平臺主回路工作原理

圖1高壓變頻器帶電抗器并網回饋測試平臺主回路拓撲圖
1、原理介紹 高壓母線經過進線開關QF11送達待測高壓變頻器的輸入開關,高壓變頻器合上輸入開關之后即將高壓送到移相隔離變壓器,變壓器副邊輸出580V或690V給功率模塊供電,功率模塊經過交直交變換,并且每一相將多個功率模塊串聯,通過模塊串聯倍壓的技術方案,優化的PWM算法,直接實現直接高壓輸出,此時高壓變頻器控制系統對電網電壓、串聯電抗器輸出電流、輸出電壓進行采樣,并對采樣信號進行處理,同時控制高壓變頻器的輸出脈沖,當并網條件滿足的時候合上QF12,此時通過串聯串聯電抗器后直接并網,實現能量回饋。
2、主要保護特性

三、關鍵技術難點及解決方案 高壓變頻器帶串聯電抗器并網瞬間的沖擊電流必須小,主隔離變承受的最大(峰峰值)沖擊電流要求最好控制在一定范圍之內,這就對軟件方面提出很高的要求,主要體現在以下幾點: 1)網側鎖相必須精準無誤; 2)變頻器輸出相位、頻率與網側一致,輸出電壓幅值與網側差別不大,誤差要求控制在500V以內; 3)仿真模型中主隔離變參數按照實際參數設置,記錄并網瞬時電流是否超過繼保設置的保護電流; 4)平臺能量回饋效率高,要求系統額定損耗占系統額定容量的8%以內,這就要求系統有功電流、無功電流分開控制,并分別對網測進行補償,使系統從電網獲取的能量盡量少。
為了解決上述關鍵技術問題,需要搭建詳細的仿真模型,而仿真結果是平臺設計的理論指導,因此需要按照實際的變壓器參數進行詳細仿真。

圖2高壓變頻器帶串聯電抗器并網回饋主電路仿真模型

圖3并網節點處電流波形
仿真結果: 1)變壓器二次側的并網電流沖擊大概在55A,電壓壓降150V左右,滿足并網要求; 2)當模型采用有功電流和無功電流共同輸出時,有功電流在滿足額定電流情況下,補償部分的無功支撐電壓,可以達到滿載運行的目的; 3)測試平臺可以滿足在額定電流范圍內各個功率段的滿載測試。
四、高壓變頻器測試平臺的優勢 1)實現了大容量高壓變頻器出廠滿功率測試,大大提高了高壓變頻器出廠質量。 高壓變頻器出廠滿功率測試是非常必要的,若在設備出廠前只在小容量電機上驗證其性能往往達不到質量可靠的效果,高壓變頻器帶串聯電抗器并網回饋測試平臺能滿足大容量高壓變頻器的滿功率測試。 高壓變頻器在出廠前首先在電機負載上驗證其性能試驗(包括飛車啟動試驗、軟啟試驗、無擾切換試驗、模塊旁通試驗、瞬停試驗等等),性能試驗符合要求之后還要進行滿功率負載試驗,這點與國內其它變頻器制造商的變頻器出廠測試要求更加嚴格,變頻器出廠前必須經過長時間滿功率負載考核,考核合格的產品才允許發往現場,因此我司產品在用戶現場168試運過程中一次性驗收合格率達到100%。
2)能量回饋效率高、通用性強、成本低、占用體積小、使用靈活方便。 本測試平臺能量回饋效率極高,系統總損耗只占變頻器額定容量的8%以內,傳統測試平臺(原動機+發電機+四象限變頻器)損耗仍然很大,系統損耗大概占變頻器額定容量的30%左右,兩者比較起來,高壓變頻器帶串聯電抗器并網回饋的方式能節省大量的電能,若折算為電費的話是一個相當龐大的金額。
本測試平臺通用性極強,可擴展到3.3kV—12kV電壓等級的高壓變頻器的滿功率測試。 本測試平臺成本較低、占用體積小、使用靈活方便,平臺的搭建只需要新增一臺電抗器和若干臺高壓開關柜即可滿足測試要求,成本比傳統測試平臺低得多。
五、結束語 高壓變頻器帶串聯電抗器并網回饋測試平臺大大提高了帶載電流,實現了大容量高壓變頻器出廠的滿功率測試,保障了高壓變頻器出廠質量,贏得了用戶的信賴;同時平臺本身故障率低,回饋效率極高,大大節省了公司電能的使用,可為公司帶來可觀的經濟效益,切實響應國家節能降耗的號召。 |